{"product":{"productId":"agid.2366","price":154.87,"name":"Support elements steel"},"currency":"USD"}
Material
Carbon steel.
Version
Body black oxidized.
Thrust pin tempered and black oxidized.
Thrust pin tempered and black oxidized.
Show more
Show less
Description
Material
Carbon steel.
Version
Body black oxidized.
Thrust pin tempered and black oxidized.
Thrust pin tempered and black oxidized.
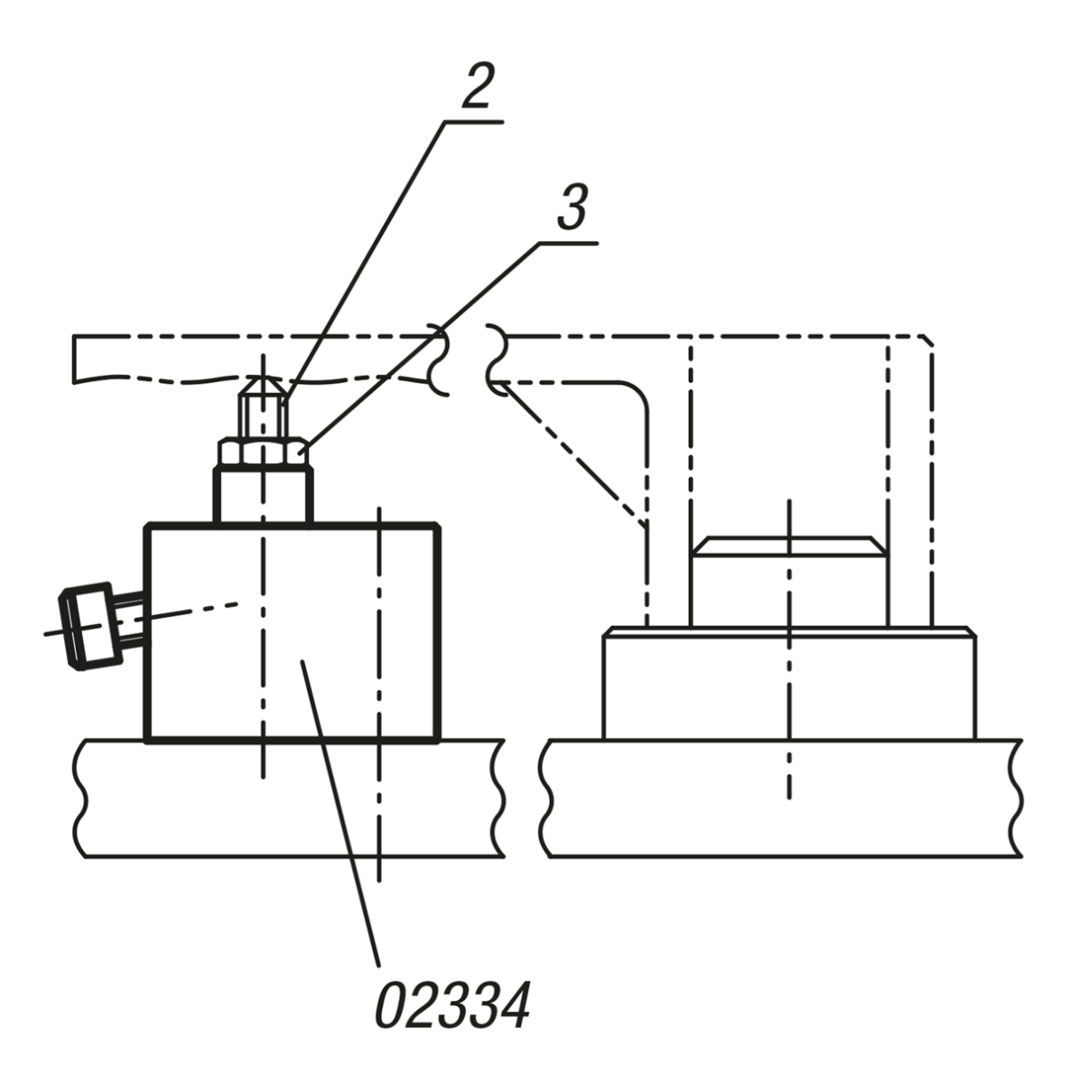
Drawing reference
M = ball pressure screw
N = through hole for socket head screw DIN 912
1) rotation lock
2) screw rest
3) hexagonal nut
N = through hole for socket head screw DIN 912
1) rotation lock
2) screw rest
3) hexagonal nut
Important note on downloading CAD models
In order to download our CAD models, you must log in first. If you have not created an account yet, please register under "My Account" (right side of the screen) and follow the instructions.